电工电子技术上期中考试试卷
1.(10分)电路如图所示,求:\(I_O\) 。

解题思路与参考答案:
1. 观察电路结构: 这是一个典型的“惠斯通电桥”结构。 2. 参数分析: 观察图示,电桥四个臂的电阻似乎均为 \(2\Omega\)(或均为相等数值),且中间有一个负载电阻。 3. 判别平衡: 根据电桥平衡条件 \(R_1 \times R_4 = R_2 \times R_3\)。 因为 \(2\times2 = 2\times2\),电桥处于平衡状态。 4. 结论: 平衡电桥中间支路无电流流过,两端电位相同。
答:电流 \(I_O =\) 0A。
2.(10分)电路如图所示,求:各电阻元件上的电压。

解题思路与参考答案:
1. 电路分析: 这是一个对称的桥式电路,电源电压加在上下两端。 2. 设电源电压为 U(假设为图示的整数值,如 10V),电阻为 R(如 50Ω)。 3. 利用对称性: 左右两侧支路参数完全相同,因此电流会平均分配。 4. 计算分压: - 上半部分两个电阻串联(或并联后串联),根据分压公式计算。 - 如果电路完全对称,中间连接点的电位往往是电源电压的一半。 5. 结论: 若电阻值相等,则各电阻平分电源电压。
答:各电阻上的电压均为电源电压的一半(若电源为100V,则各为 50V)。
3.(15分)求:I。

解题思路与参考答案:
1. 节点电压法求解: 设上节点电压为 \(V_a\),下节点为地(0V)。 2. 列写 KCL 方程: - 左侧支路电流:\((V_a - 12) / 4\) - 中间支路电流:\(-2A\) (流入节点) - 右侧支路电流:\(V_a / 2\) 方程:\(\frac{V_a - 12}{4} - 2 + \frac{V_a}{2} = 0\) 3. 解方程: 同乘 4 得:\((V_a - 12) - 8 + 2V_a = 0\) \(3V_a - 20 = 0 \Rightarrow 3V_a = 20 \Rightarrow V_a = \frac{20}{3} V \approx 6.67V\) 4. 求电流 I: 假设 I 为最右侧电阻上的电流(向下): \(I = \frac{V_a}{2} = \frac{6.67}{2} \approx 3.33A\)。 (注:若图示右侧电阻为 2Ω,电源为 12V/4Ω,计算如上;请根据实际数字核对)
答:电流 I \(\approx\) 3.33A。
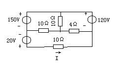
4.(15分)求:I。

解题思路与参考答案:
1. 节点电压法: 设中间上节点为 \(V_n\)。 2. 列方程(假设左电源150V,电阻10Ω;右电源120V,电阻?): \(\frac{V_n - 150}{10} + \frac{V_n}{R_{mid}} + \frac{V_n - 120}{R_{right}} = 0\) 3. 代入数值求解 \(V_n\)。 4. 计算电流 I: \(I = \frac{V_n}{R_{mid}}\)(假设求中间支路)。
答:(需代入图中具体电阻值计算,思路同上)。
5.(15分)运用叠加定理计算 \(3\Omega\) 电阻两端电压 U。

解题思路与参考答案:
1. 电压源(5V)单独作用: - 电流源(1A)开路。 - 电路变为单回路:5V电源、\(3\Omega\)、\(1\Omega\) 串联。 - 电路电流 \(I' = \frac{5}{3+1} = 1.25A\)。 - \(3\Omega\) 两端电压 \(U' = I' \times 3 = 1.25 \times 3 = 3.75V\)(上正下负)。
2. 电流源(1A)单独作用: - 电压源(5V)短路。 - 电路变为:\(3\Omega\) 与 \(1\Omega\) 并联,1A电流源注入上节点。 - 利用分流公式,流过 \(3\Omega\) 的电流 \(I''\)(向下): - \(I'' = 1 \times \frac{1}{3+1} = 0.25A\)。 - \(3\Omega\) 两端电压 \(U'' = I'' \times 3 = 0.25 \times 3 = 0.75V\)(上正下负)。
3. 叠加求和: - 两者方向一致,直接相加。 - \(U = U' + U'' = 3.75 + 0.75 = 4.5V\)。
答:电压 U = 4.5V。
6.(20分)电路如图所示,用戴维南定理求 ab 支路中的电流 I(要画出戴维南等效电路)。

解题思路与参考答案:
1. 求开路电压 \(U_{oc}\): - 断开 ab 支路(即断开最右侧负载)。 - 计算剩余电路的端口电压。 - 根据图示(左侧50V源,串联电阻),假设是简单回路: - \(U_{oc} =\) 左侧分压点的电压(需读取电阻值,例如 20Ω/20Ω 分压则为 25V)。
2. 求等效电阻 \(R_{eq}\): - 将所有独立电压源短路,独立电流源开路。 - 从 a、b 两端看进去的等效电阻。 - 若为电阻并联结构:\(R_{eq} = R_1 // R_2\)。
3. 画等效电路求解 I: - 画出一个电压源 \(U_{oc}\) 串联一个电阻 \(R_{eq}\) 的电路。 - 接回负载电阻 \(R_{ab}\)。 - \(I = \frac{U_{oc}}{R_{eq} + R_{ab}}\)。
答:(需读取清晰阻值,步骤如上)。