1.电工电子技术上课程期末试卷(A卷)
一、单项选择题(每小题2分,共40分)
-
理想电流源的电流 ( D )
- A. 与外接元件有关
- B. 与参考点的选取有关
- C. 与其两端电压有关
- D. 与其两端电压无关
-
输出电压总能保持定值,其值与流过它的电流无关的元件定义为 ( D )
- A. 电容
- B. 电感
- C. 恒流源
- D. 恒压源
-
基尔霍夫电流定律KCL是线性约束 ( A )
- A. 节点中的支路电流
- B. 回路中的各个电压
- C. 一段电路中的各个电压
- D. 闭合面中的各条电流不受约束
-
戴维宁定理表述为:任何一个线性含源一端口网络,对外电路来说,可以用来等效替代的组合是 ( B )
- A. 一个电压源和一个电阻并联
- B. 一个电压源和一个电阻串联
- C. 一个电流源和一个电阻并联
- D. 一个电流源和一个电阻串联
-
储存电场能量的元件是 ( C )
- A. 电阻
- B. 电感
- C. 电容
- D. 蓄电池
-
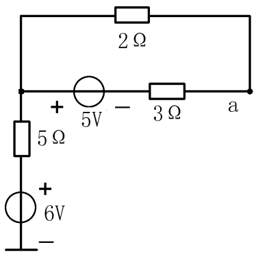
如图所示电路中,a点电位等于 ( D )

- A. 1V
- B. 11V
- C. 4V
- D. 6V
-
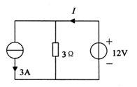
直流电路如图所示,电流I应等于 ( A )

- A. 7A
- B. 4A
- C. 3A
- D. 1A
-
电路如图所示,Uab = ( C )

- A. -1V
- B. 0V
- C. 1V
- D. 2V
-
实验室中的交流电压表和电流表,测量的是 ( D )
- A. 瞬时值
- B. 最大值
- C. 平均值
- D. 有效值
-
当功率因数 \(\cos\phi = 0.5\), \(S = 100VA\),有功功率为 ( B )
- A. 13.4W
- B. 50W
- C. 86.6W
- D. 100W
-
在R、L、C串联电路中,已知 \(R=5\Omega\), \(X_L=8\Omega\), \(X_C=8\Omega\),则电路的性质 ( C )
- A. 感性
- B. 容性
- C. 阻性 (发生串联谐振)
- D. 不能确定
-
正弦电压 \(u(t)=2\sin(314t-45^\circ)V\),有效值相量表示为 ( D )
- A. \(2\angle-45^\circ V\)
- B. \(\angle45^\circ V\)
- C. \(2\angle45^\circ V\)
- D. \(\sqrt{2}\angle-45^\circ V\) (注:最大值为2,有效值为 \(\sqrt{2}\))
-
某对称星形三相电路中,线电压为380V,线电流为5A,各线电压分别与对应线电流同相位,则三相总功率P为 ( A )
- A. 3300W (\(P=\sqrt{3} \times 380 \times 5 \times 1 \approx 3290\))
- B. 2850W
- C. 1900W
- D. 1100W
-
已知某元件 \(Z=10-j4(\Omega)\),则可判断该元件为 ( C )
- A. 电阻性
- B. 电感性
- C. 电容性 (虚部为负)
- D. 不能确定
-
在供电系统中,当电源电压及负载的有功功率一定时,提高电路的功率因数,可使供电线路的功率损耗 ( B )
- A. 增大
- B. 减小
- C. 不变
- D. 不能确定
-
三相四线制电路中,已知三相电流是对称的,并且 \(I_A=10A, I_B=10A, I_C=10A\),则中线电流为 ( C )
- A. 10A
- B. 5A
- C. 0A
- D. 30A
-
匝数比 K=20 的变压器接在 220V 的市电电源上,则副边线圈两端的电压为 ( A )
- A. 11V
- B. 220V
- C. 380V
- D. 4400V
-
在负载为三角形连接的对称三相电路中,各线电流与相电流的关系是 ( D )
- A. 大小、相位都相等
- B. 大小相等、线电流超前相应的相电流
- C. 线电流大小为相电流大小的 \(\sqrt{3}\) 倍、线电流超前相应的相电流
- D. 线电流大小为相电流大小的 \(\sqrt{3}\) 倍、线电流滞后相应的相电流
-
有功功率 P、无功功率 Q 与视在功率 S 之间,正确的关系式是 ( D )
- A. \(S=P-Q\)
- B. \(S=P+Q\)
- C. \(S=P^2+Q^2\)
- D. \(S=\sqrt{P^2+Q^2}\)
-
一台三相异步电动机的磁极对数 p=2,电源频率为 50Hz,电动机转速 n=1440r/min,其中转差率 s 为 ( B )
- A. 1%
- B. 4% (\(n_0=1500, s=(1500-1440)/1500=0.04\))
- C. 3%
- D. 2%
二、计算题(每小题10分,共60分)
1.(10分)试用电源等效变换的方法,求如图所示电路中的电流 I。

解题思路与参考答案:
1. 左侧变换:12V电压源与 \(3\Omega\) 电阻串联,等效为 4A(向上) 电流源并联 \(3\Omega\) 电阻。 2. 合并电流源:左侧 4A 源与中间 2A 源合并,总电流为 6A(向上)。 3. 合并电阻:\(3\Omega\) 电阻与 \(6\Omega\) 电阻并联,等效电阻 \(R = \frac{3 \times 6}{3+6} = 2\Omega\)。 4. 变换回电压源:6A 电流源并联 \(2\Omega\) 电阻,等效为 12V电压源(正极在上)串联 \(2\Omega\) 电阻。 5. 串联整理:左侧回路总电阻为 \(2\Omega + 2\Omega (\text{水平}) = 4\Omega\)。 6. 此时电路简化为两个节点: - 左支路:12V 源串联 \(4\Omega\) 电阻。 - 中支路(原图右侧部分):4V 源串联 \(2\Omega\) 电阻。 - 右支路:\(1\Omega\) 电阻(待求支路)。 7. 计算结果:利用节点电压法可求得节点电压约为 2.86V。
答:电流 I 约为 2.86A。
2.(10分)电路如图所示,试应用叠加原理,求电路中的电流 \(I_1\)、 \(I_2\) 及 \(36\Omega\) 电阻消耗的电功率 P。

解题思路与参考答案:
1. 当 90V 源单独作用时(60V 源短路): - 总电流 \(I_1' = 6A\) (方向向上)。 - 分流计算:\(I_2' = -4.5A\)(题目定义方向向上,实际向下)。 - 流过 \(36\Omega\) 的电流 \(I_{36}' = 1.5A\)(方向向下)。
2. 当 60V 源单独作用时(90V 源短路): - 总电流 \(I_2'' = 3.5A\)(方向向上)。 - 分流计算:\(I_1'' = -3A\)。 - 流过 \(36\Omega\) 的电流 \(I_{36}'' = 0.5A\)(方向向下)。
3. 叠加计算: - \(I_1 = I_1' + I_1'' = 6 - 3 = 3A\)。 - \(I_2 = I_2' + I_2'' = -4.5 + 3.5 = -1A\)。 - 流过 \(36\Omega\) 的总电流 \(I_{36} = 1.5 + 0.5 = 2A\)。 - 功率 \(P = I_{36}^2 \times R = 2^2 \times 36 = 144W\)。
答:\(I_1=\) 3A, \(I_2=\) -1A, \(P=\) 144W。
3.(10分)电路如图所示,要求: (1) 用戴维南定理求 ab 支路中的电流 I(要画出戴维南等效电路); (2) 求理想电流源两端电压 \(U_I\)。

解题思路与参考答案:
1. 求戴维南等效电路(断开 ab 支路): - 开路电压 \(U_{oc}\): - 左侧回路:\(V_a = 2 \times 4 = 8V\)。 - 右侧回路:\(V_b = 2V\)。 - \(U_{oc} = V_a - V_b = 6V\)。 - 等效电阻 \(R_{eq}\): - 电流源开路,电压源短路。 - \(R_{eq} = 4 + (6 || 3) = 4 + 2 = 6\Omega\)。 - 计算电流 I: - \(I = \frac{U_{oc}}{R_{eq} + R_{load}} = \frac{6}{6+6} = 0.5A\)。
2. 求电流源电压 \(U_I\): - 对节点 a 列 KCL:\(I_{4\Omega} = 2 - 0.5 = 1.5A\)。 - \(U_I = V_a = I_{4\Omega} \times 4 = 6V\)。
答:(1) I = 0.5A; (2) \(U_I =\) 6V。
4.(10分)日光灯电路计算 今有一个 40W 的日光灯,使用时灯管与镇流器 (可近似把镇流器看作纯电感) 串联在电压为 220V,频率为 50Hz 的电源上。已知灯管工作时属于纯电阻负载,灯管两端的电压等于 110V。 试求: 镇流器上的感抗和电感。这时电路的功率因数等于多少?
解题思路与参考答案:
- 已知:\(P=40W, U=220V, f=50Hz, U_R=110V\)。 - 电压关系:\(U^2 = U_R^2 + U_L^2 \Rightarrow U_L = \sqrt{220^2 - 110^2} \approx 190.5V\)。 - 电路电流:\(I = \frac{P}{U_R} = \frac{40}{110} \approx 0.364A\)。 - 镇流器感抗:\(X_L = \frac{U_L}{I} = \frac{190.5}{0.364} \approx 523\Omega\)。 - 电感量:\(L = \frac{X_L}{2\pi f} = \frac{523}{314} \approx 1.67H\)。 - 功率因数:\(\cos\phi = \frac{U_R}{U} = \frac{110}{220} = 0.5\)。
答:感抗约 523Ω,电感约 1.67H,功率因数为 0.5。
5.(10分)三相电路计算 对称三相电源,线电压 \(U_L=380V\),对称三相感性负载作星形连接,若测得线电流 \(I_L=17.3A\),三相功率 \(P=9.12KW\)。 求: 每相负载的电阻和感抗。
解题思路与参考答案:
- 星形连接:\(U_P = \frac{380}{\sqrt{3}} \approx 220V\),相电流 \(I_P = I_L = 17.3A\)。 - 视在功率:\(S = \sqrt{3} U_L I_L \approx 11385VA\)。 - 功率因数:\(\cos\phi = \frac{P}{S} = \frac{9120}{11385} \approx 0.8\)。 - 阻抗模:\(Z = \frac{U_P}{I_P} \approx 12.7\Omega\)。 - 电阻:\(R = Z \cos\phi = 12.7 \times 0.8 \approx 10.16\Omega\)。 - 感抗:\(X_L = Z \sin\phi = 12.7 \times 0.6 \approx 7.62\Omega\)。
答:每相电阻约 10.16Ω,感抗约 7.62Ω。
6.(10分)电机计算 一台 Y225M-4 型的三相异步电动机,定子绕组 \(\Delta\) 型联结,其额定数据为: \(P_N=11kW\),\(n_N=1480r/min\),\(U_N=380V\),\(\eta_N=92.3\%\),\(\cos\phi_N=0.88\),\(I_{st}/I_N=7.0\),\(T_{st}/T_N=1.9\),\(T_{max}/T_N=2.2\)。 求: (1) 额定电流 \(I_N\)? (2) 额定转差率 \(s_N\)? (3) 额定转矩 \(T_N\)、最大转矩 \(T_{max}\) 和起动转矩 \(T_{st}\)。
解题思路与参考答案:
1. 额定电流 \(I_N\) - 输入功率 \(P_{in} = \frac{P_N}{\eta} \approx 11917W\)。 - \(I_N = \frac{P_{in}}{\sqrt{3} U_N \cos\phi} = \frac{11917}{1.732 \times 380 \times 0.88} \approx 20.6A\)。
2. 额定转差率 \(s_N\) - 同步转速 \(n_s = \frac{60f}{p} = \frac{3000}{2} = 1500r/min\)。 - \(s_N = \frac{1500 - 1480}{1500} \approx 0.0133\)。
3. 转矩计算 - 额定转矩 \(T_N = 9550 \frac{P_N}{n_N} = 9550 \times \frac{11}{1480} \approx 71 N\cdot m\)。 - 最大转矩 \(T_{max} = 2.2 T_N \approx 156.2 N\cdot m\)。 - 起动转矩 \(T_{st} = 1.9 T_N \approx 134.9 N\cdot m\)。
答:(1) 20.6A; (2) 0.0133; (3) 71, 156.2, 134.9 \(N\cdot m\)。